多做题,通过考试没问题!
点检员考试
睦霖题库
>
操作工技能考核考试
>
点检员考试
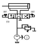
分析图示液压系统图并回答问题(注:1DR,2DT为电磁铁编号):
要使油缸活塞杆伸出,电磁阀(1)应如何动作?
正确答案:
2DT得电。
答案解析:
有
进入题库查看解析
微信扫一扫手机做题
最新试题
·
设备管理信息系统中点检员拥有设备9位码(
·
通常定修项目的委托提出时间规定为定修实施
·
除尘器宽度尺寸较大时,应将振打机分成若干
·
什么是液压冲击?产生的原因是什么?
·
按点检方法分类通常为解体点检和不解体点检
·
专业主管在基层管理中又处于()地位,发挥
·
TPM 的五大支柱是什么?
·
点检定修制的实质是以预防维修为基础,以点
·
点检定修制,点检人员既负责设备点检,又负
·
对运行的水泵应做哪些点巡检?
热门试题
·
备件新品可分为:维修备件、维工备件、()
·
点检管理的目的是对设备进行认真的检查、诊
·
称重系统中的电磁辐射可以采用屏蔽、()、
·
物料领用开领料单时,要正确选择(),否则
·
设备定修的时间是变化的,每次定修时间一般
·
通过变频器的故障显示提示来判断故障点的范
·
消防设备、消防器材的日常点检和使用维护工
·
7212轴承是一种双列向心球面球轴承。(
·
一般设备事故抢修由二级厂矿自行组织。
·
简述液压油的粘度新牌号与旧牌号的不同之处