多做题,通过考试没问题!
电子与通信技术
睦霖题库
>
大学试题(工学)
>
电子与通信技术
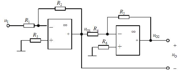
电路如图所示,R2=R4=R5=10kΩ,R1=1kΩ,求:
R3,R6的阻值。
正确答案:
答案解析:
有
进入题库查看解析
微信扫一扫手机做题
最新试题
·
电路如图所示,R1、R2支路引入的反馈为
·
电路如图所示,要求: 指出图中的
·
电路如图所示运算放大器,要求: (1)指
·
电路如图所示,运算放大器的饱和电压为±1
·
电路如图所示,要求: 若R2=R
·
电路如图所示,求输出电压u
O<
·
运算放大器电路如图所示,该电路中反馈极性
·
电路如图所示,R′为可变电阻,电压U=9
·
集成运算放大器对输入级的主要要求是()。
·
电路如图所示,D为光电二极管,已知光照时
热门试题
·
电路如图所示,输入电压的波形为如图所示的
·
电路如图所示,R1=R2=R3=R,试写
·
电路如图所示,其输出电压u
O<
·
电路如图所示,稳压管D
Z
·
电路如图所示,求:输出电压u
O
·
运算放大器组成的电压表电路如图所示,当转
·
电压比较器如图所示,稳压管的稳定电压U<
·
电路如图所示,求输出电压u
O<
·
运算放大器电路如下图所示R1=R2=20
·
电路如图所示,该电路为()。