多做题,通过考试没问题!
机械员
睦霖题库
>
建筑八大员(九大员)住房城乡建设领域现场专业人员考试
>
机械员
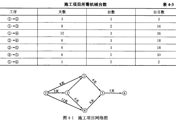
某机械施工项目的网络图和所需机械台数如表4-3和图4-1所示。请回答以下相关问题,以使投入的机械台数最少又能最均匀施工。
属于关键线路工序的有()。
A、①→④
B、④→⑤
C、①→③
D、③→⑤
E、⑤→⑥
正确答案:
A,B,E
答案解析:
有
进入题库查看解析
微信扫一扫手机做题
最新试题
·
移动电箱电源线长度不大于(),移动用电设
·
汽油焊割机的切割质量较好,利用汽油割炬切
·
设备投资要经过若干年后才能收回,所以进行
·
新购施工机械设备交付使用,必须在()后办
·
在伸缩式吊臂汽车起重机中,控制吊臂依次伸
·
建筑起重机械产权登记的责任主体是()。
·
下列哪几项属于蜗杆传动的特点()。
·
下列哪个情形不属于劳动合同无效和部分无效
·
模板固定方式()、()、()、()。
·
铲运机在()土壤和冻土中作业时要用松土机
热门试题
·
有下列情形之一的建筑起重机械,备案机关不
·
《建筑起重机械备案登记办法》规定,设备备
·
每条单相照明支线的电流不宜超过()A,照
·
下列不属于“四懂”的是()。
·
下列哪项不属于假设杆件的材料所具有的特性
·
下面各种弹簧中为压缩弹簧的是()
·
如果下料K度按外包尺寸的总和来计算,则加
·
机构与机器的区别在于机构不具备()特性。
·
不属于浇筑前的准备工作的是()。
·
QTZ表示的是()塔式起重机。