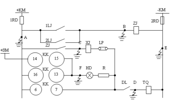
在运行中如下图所示接线哪两点接地,会使断路器误动?哪两点接地在保护动作时会使断路器拒动和控制保险熔断? 
正确答案:
KK-控制开关;XJ-信号继电器;1-2LJ-电流继电器;ZJ-中间继电器;TQ-跳闸线圈;LP-压板;HD-红灯;R-电阻;
1-2RD-熔断器
(1)两点接地可能造成断路器误动的有:A、B;A、D;F、D;F、B;F、C。
(2)两点接地可能造成开关拒动和保险丝熔断的有:B.E;D.E;C.E;F、E;A、E。
1-2RD-熔断器
(1)两点接地可能造成断路器误动的有:A、B;A、D;F、D;F、B;F、C。
(2)两点接地可能造成开关拒动和保险丝熔断的有:B.E;D.E;C.E;F、E;A、E。
答案解析:有

微信扫一扫手机做题
