多做题,通过考试没问题!
电子与通信技术
睦霖题库
>
大学试题(工学)
>
电子与通信技术
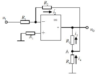
电路如图所示,求输出电压u
O
与输入电压u
I
之间运算关系的表达式。
正确答案:
答案解析:
有
进入题库查看解析
微信扫一扫手机做题
最新试题
·
电路如图所示,R
F
·
电路如图所示,已知R1=10k,C=10
·
电路如图所示,R1=R2=R3=R,试写
·
电路如图所示,求输出电压u
O<
·
电路如图所示,试求: (1)当AB端接入
·
电路如图所示,R1=10kΩ
·
电路如图所示,运放为理想元件,试求电压放
·
电路如图所示,能够实现比例-积分运算关系
·
电路如图所示,运算放大器的饱和电压为±1
·
电路如图所示,求输出电压u
O<
热门试题
·
比例运算电路如图所示,该电路的电压放大倍
·
电路如图所示,该电路为()。
·
电路如图所示为()。
·
电路如图所示,求输出电压u
O<
·
电路如图所示,要求: (1)设i
·
运算放大器组成的测量电路如图所示,图中U
·
如图电路,运放的饱和电压为U
O
·
电路如图所示,要求: 写出与之间
·
运算放大器组成的电压表电路如图所示,微安
·
电路如图所示,运算放大器的电源电压为12