多做题,通过考试没问题!
电子与通信技术
睦霖题库
>
大学试题(工学)
>
电子与通信技术
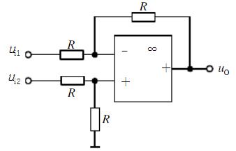
电路如图所示,其输出电压u
O
等于()。
A、u
i1
-u
i2
B、u
i2
-u
i1
C、u
i1
+u
i2
正确答案:
B
答案解析:
有
进入题库查看解析
微信扫一扫手机做题
最新试题
·
电路如图所示,运算放大器的饱和电压为±1
·
电路如图所示,R1=R2=R
F
·
运算放大器电路如图所示R
F
·
电路如图所示,该电路为()。
·
电路如图所示,要求: 输入u
·
电路如图所示运算放大器,要求: (1)指
·
电路如图所示,各电阻阻值如图中所示,输入
·
电路如图所示,R
1
·
如图所示电路,输入电压ui≠U
·
电路如图所示,求输出电压u
O<
热门试题
·
电路如图所示,输入电压ui=sinωtV
·
电路如图所示,求输出电压u
O<
·
比例运算电路如图所示,该电路的输入电阻为
·
理想运算放大器的开环电压放大倍数A
·
电路如图所示,该电路为()。
·
电路如图所示,求输出电压u
O<
·
电路如图所示,要求: 指出图中的
·
电路如图所示,运算放大器的饱和电压为±1
·
电路如图所示,试求输出电压u
O
·
电路如图所示,其电压放大倍数等于()。